造紙廠排放檢測化工污水流量計選型的電路設計方案
點擊次數:3424 發布時間:2021-08-19 07:33:36
摘要:針對造紙廠排污計量中經常出現測量精度低、傳感探頭易受腐蝕和測試結果不夠穩定等問題,提出了一種適合于造紙廠排污管道中測流的化工污水流量計選型的電路設計方法,通過對其進行測試和分析,發現應用*小二乘法對該化工污水流量計選型實測數據值進行直線擬合后,當可測流量范圍控制在0~150m³·s-1之內,其數據值非線性誤差范圍在0.5%以內。表明該排污管化工污水流量計選型的技術指標已處于國內外同類產品的**水平。
化工污水流量計選型由于其測量靈活方便和靈敏度高,化工污水流量計選型由于其測量靈活方便和靈敏度高,在工業上常用以計量各類流體的流量,如:水流、礦漿流等介質。在各類造紙廠污水排放流量的計量漿流等介質。在各類造紙廠污水排放流量的計量中,化工污水流量計選型被廣泛地應用。在實際應用中也暴中,化工污水流量計選型被廣泛地應用。在實際應用中也暴露出一些缺點,例如,傳感探頭易受腐蝕、測試結果露出一些缺點,如,傳感探頭易受腐蝕、測試結果不夠穩定以及傳輸信號易受外磁場干擾等不夠穩定以及傳輸信號易受外磁場干擾等。
針對這些問題,本文提出了一種適合造紙廠排污管道中這些問題,本文提出了一種適合造紙廠排污管道中測污水流量的化工污水流量計選型電路。通過用它來對污水流量控制在0~150m0~150m³·s-1范圍之內進行測試,所得范圍之內進行測試,所得到的實測數據應用*小二乘法進行直線擬合,來判到的實測數據應用*小二乘法進行直線擬合,來判斷其數值誤差范圍。
1.1 設計思路
本化工污水流量計選型設計的目的是為了滿足口徑小本化工污水流量計選型設計的目的是為了滿足口徑小于100英寸的直通管道中流速的測量,其探頭的要英寸的直通管道中流速的測量,其探頭的要求是呈流線型、小巧靈活,而且安裝方便。當探頭插入時對流體的影響可以忽略不計,近似地認為是無入時對流體的影響可以忽略不計,近似地認為是無阻流狀態。通過充分調研,并參考國內外同類產品阻流狀態。通過充分調研,并參考國內外同類產品的技術性能指標,在直徑為100mm鐵管或PVC塑料管中做測試,并通過現場流速逐點分布測量,獲取多組不同狀態下的平均流速,將所得到的數據經取多組不同狀態下的平均流速,將所得到的數據經*小二乘法進行直線擬合,用計算機模擬來確定回*小二乘法進行直線擬合,用計算機模擬來確定回歸方程系數,進而測量出不同狀態下的流量值。
1.2 化工污水流量計選型原理
化工污水流量計選型的原理是基于電磁感應定律。當導電流體流過化工污水流量計選型磁場時,在與流速和磁場兩電流體流過化工污水流量計選型磁場時,在與流速和磁場兩者相垂直的方向就會產生與平均流速呈正比的感者相垂直的方向就會產生與平均流速呈正比的感應電動勢。
化工污水流量計選型由于其測量靈活方便和靈敏度高,化工污水流量計選型由于其測量靈活方便和靈敏度高,在工業上常用以計量各類流體的流量,如:水流、礦漿流等介質。在各類造紙廠污水排放流量的計量漿流等介質。在各類造紙廠污水排放流量的計量中,化工污水流量計選型被廣泛地應用。在實際應用中也暴中,化工污水流量計選型被廣泛地應用。在實際應用中也暴露出一些缺點,例如,傳感探頭易受腐蝕、測試結果露出一些缺點,如,傳感探頭易受腐蝕、測試結果不夠穩定以及傳輸信號易受外磁場干擾等不夠穩定以及傳輸信號易受外磁場干擾等。
針對這些問題,本文提出了一種適合造紙廠排污管道中這些問題,本文提出了一種適合造紙廠排污管道中測污水流量的化工污水流量計選型電路。通過用它來對污水流量控制在0~150m0~150m³·s-1范圍之內進行測試,所得范圍之內進行測試,所得到的實測數據應用*小二乘法進行直線擬合,來判到的實測數據應用*小二乘法進行直線擬合,來判斷其數值誤差范圍。
1.1 設計思路
本化工污水流量計選型設計的目的是為了滿足口徑小本化工污水流量計選型設計的目的是為了滿足口徑小于100英寸的直通管道中流速的測量,其探頭的要英寸的直通管道中流速的測量,其探頭的要求是呈流線型、小巧靈活,而且安裝方便。當探頭插入時對流體的影響可以忽略不計,近似地認為是無入時對流體的影響可以忽略不計,近似地認為是無阻流狀態。通過充分調研,并參考國內外同類產品阻流狀態。通過充分調研,并參考國內外同類產品的技術性能指標,在直徑為100mm鐵管或PVC塑料管中做測試,并通過現場流速逐點分布測量,獲取多組不同狀態下的平均流速,將所得到的數據經取多組不同狀態下的平均流速,將所得到的數據經*小二乘法進行直線擬合,用計算機模擬來確定回*小二乘法進行直線擬合,用計算機模擬來確定回歸方程系數,進而測量出不同狀態下的流量值。
1.2 化工污水流量計選型原理
化工污水流量計選型的原理是基于電磁感應定律。當導電流體流過化工污水流量計選型磁場時,在與流速和磁場兩電流體流過化工污水流量計選型磁場時,在與流速和磁場兩者相垂直的方向就會產生與平均流速呈正比的感者相垂直的方向就會產生與平均流速呈正比的感應電動勢。

如圖1所示,某一時刻由一對勵某一時刻由一對勵磁線圈產生的磁感磁線圈產生的磁感應強度B,方向向上,流入液體的速上,流入液體的速度為v,管的直徑管為D,兩極的距離為Le,兩極間電動勢,兩極間電動勢ε正比于磁感應強度正比于磁感應強度B、流速v和兩極間的距離Le,即:
ε=kBvLe (1)
式中,k為比例系數。流量為比例系數。流量Qv與管的直徑D之間的關系為:
Qv=(D/2)2v (2)
因此流量

式中K是與管直徑D、兩極間距Le有關的常量。感應電動勢ε不受流體的溫度、壓力、密度、電不受流體的溫度、壓力、密度、電導率(高于某閾值)變化的影響,因此化工污水流量計選型在各種類型的流量計中有著較強的明顯優勢和廣泛各種類型的流量計中有著較強的明顯優勢和廣泛的適用性。
1.3 系統硬件部分
1.3.1 方框圖
裝置采用模塊(裝置采用模塊(STM32F217STM32F217)來控制電磁流量)來控制化工污水流量計選型的工作,包括產生勵磁脈沖方波信號、接收從探頭計的工作,包括產生勵磁脈沖方波信號、接收從探頭送來的反映流量大小的微弱電信號、輸出送來的反映流量大小的微弱電信號、輸出4~20mA電流信號供指示儀表用,模塊附帶有各類接口電路電流信號供指示儀表用,模塊附帶有各類接口電路(RS232、高速USB接口等)。裝置包括:接口等)。裝置包括:IC1單片機、IC2前置放大器、IC3A/DIC3A/D轉換器、IC4電壓轉電流模塊、IC5勵磁線圈的驅動模磁線圈的驅動模塊電路、IC6電壓轉換模塊,以壓轉換模塊,以及USB快速接口電路、IC9芯片與周圍元件組片與周圍元件組成的RS232接口等電路。方框口等電路。方框圖如圖2所示。
1.3 系統硬件部分
1.3.1 方框圖
裝置采用模塊(裝置采用模塊(STM32F217STM32F217)來控制電磁流量)來控制化工污水流量計選型的工作,包括產生勵磁脈沖方波信號、接收從探頭計的工作,包括產生勵磁脈沖方波信號、接收從探頭送來的反映流量大小的微弱電信號、輸出送來的反映流量大小的微弱電信號、輸出4~20mA電流信號供指示儀表用,模塊附帶有各類接口電路電流信號供指示儀表用,模塊附帶有各類接口電路(RS232、高速USB接口等)。裝置包括:接口等)。裝置包括:IC1單片機、IC2前置放大器、IC3A/DIC3A/D轉換器、IC4電壓轉電流模塊、IC5勵磁線圈的驅動模磁線圈的驅動模塊電路、IC6電壓轉換模塊,以壓轉換模塊,以及USB快速接口電路、IC9芯片與周圍元件組片與周圍元件組成的RS232接口等電路。方框口等電路。方框圖如圖2所示。

1.3.2 傳感器
傳感器采用了流線型設計,要求表面做工精傳感器采用了流線型設計,要求表面做工精致,保證其工作在無阻流狀態下,以確保測量的精致,保證其工作在無阻流狀態下,以確保測量的精度。采用1英寸不銹鋼管為探頭殼體,勵磁線包采英寸不銹鋼管為探頭殼體,勵磁線包采用Φ0.06mm銅線在軟磁鋼芯上進行繞制,繞好后銅線在軟磁鋼芯上進行繞制,繞好后將其密封在一個呈流線型半球的將其密封在一個呈流線型半球的ABS塑料殼內,上面鑲嵌一對不銹鋼電極,它與勵磁線圈相連上面鑲嵌一對不銹鋼電極,它與勵磁線圈相連。為避免探頭內感應發射信號引起的干擾,對信號發為避免探頭內感應發射信號引起的干擾,對信號發射引線、電極引線等做了全面屏蔽處理。
1.3.3 單片機控制電路
IC1(STM32F217)單片機處理電路是采用先)單片機處理電路是采用先進的Cortex-M4內核,浮點運算能力強,運行速度內核,浮點運算能力強,運行速度高,DSP處理指令強大,具有更多的存儲空間(1M的片上閃存、196K的內嵌SRAM),以及靈活的外),以及靈活的外部存儲器接口FSMC,還帶有多種外設接口(照相機接口、高速USB接口、更快的通信接口和溫度傳感器接口等),在其內部可以完成器接口等),在其內部可以完成FFT、各類濾波、信 、各類濾波、信號壓縮和識別處理。具有多重總線并行處理能力,號壓縮和識別處理。具有多重總線并行處理能力,輸入外接以太網、高速度USB、兩路通用DMA;輸出音頻信號的同時,還能驅動液晶顯示屏。設計的出音頻信號的同時,還能驅動液晶顯示屏。設計的芯片電路具有超低功耗,當主頻為芯片電路具有超低功耗,當主頻為168MHz情況下,工作電流為38.6mA。
1.3.4 特殊電路設計
(1)勵磁信號與驅動電路
由于探頭尺寸較小,所產生的勵磁電流很弱,由于探頭尺寸較小,所產生的勵磁電流很弱,要處理這樣的信號,則后續的放大電路要有足夠高要處理這樣的信號,則后續的放大電路要有足夠高的輸入阻抗和較大的增益,來保證傳感器的靈敏度的輸入阻抗和較大的增益,來保證傳感器的靈敏度及抗干擾性;為了防止交流及抗干擾性;為了防止交流50Hz的工頻干擾,選的工頻干擾,選用方波電流作為勵磁電流,其頻率選用用方波電流作為勵磁電流,其頻率選用12.5Hz,它是1/4的工頻頻率,這樣可有效地抑制工頻干擾。勵磁信號在單片機內部生成,從*勵磁信號在單片機內部生成,從*26腳輸出12.5Hz方波信號,接到勵磁線圈的驅動模塊電路方波信號,接到勵磁線圈的驅動模塊電路IC5(LMD18200T LMD18200T)的3腳信號,它的內部采用腳信號,它的內部采用H橋式驅動,送出勵磁電流加到其橋式驅動,送出勵磁電流加到其2腳和10腳之間的勵磁線圈上。在勵磁線圈L上形成20~30mA方波電流,它與控制方波電壓同步。使流體運動切割波電流,它與控制方波電壓同步。使流體運動切割磁力線產生的方波電壓與勵磁電流完全保持同步, 磁力線產生的方波電壓與勵磁電流完全保持同步,這樣也便于在接收放大電路中信號的同步解調。電路如圖3所示。

(2)傳感器放大電路
IC2(SL28617)放大器用于放大傳感器送來)放大器用于放大傳感器送來的反映流量大小的電壓信號,圖中的反映流量大小的電壓信號,圖中Rin和Rfb是用來改變運算放大器增益的電阻。來改變運算放大器增益的電阻。S1是勵磁信號源,R17、R18是輸入偏置電阻,運放的是輸入偏置電阻,運放的9腳和16腳分別接電源±腳分別接電源±5V,接在運放IC2輸出端的IC3(ADS8320 ADS8320)是16位高速A/D轉換器,其轉換速度可達16kHz/s,接在接收放大器與接在接收放大器與A/D轉換器之間的IC12(ISL21090 ISL21090)是三端穩壓器。電路如圖)是三端穩壓器。電路如圖4所示。

(3)電壓轉電流模塊電路
IC4(AD420)是一塊電壓轉電流模塊,可將電壓信號轉換成電流信號輸出,輸出電流范圍是4~20mA或0~20mA,其后面可以接模擬指示儀表。接其后面可以接模擬指示儀表。接在其輸出端的IC10(LM358)是運放,可將輸出電流轉換成電壓輸出,電壓輸出范圍流轉換成電壓輸出,電壓輸出范圍0~10V。電路如圖5所示。
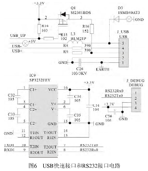
(4)USB快速接口和RS232接口電路
由Q1、R14、R15、R16、L3、D3、R8和R9等元件組成的電路與單片機對應電路,組成等元件組成的電路與單片機對應電路,組成USB快速接口電路??焖俳涌陔娐?。IC9(SP3232EEY)芯片與周圍元)芯片與周圍元件組成RS232接口電路。電路如圖6所示。


3、結束語
全面介紹了一種用于造紙廠排放管道中檢測全面介紹了一種用于造紙廠排放管道中檢測污水流量的智能化化工污水流量計選型電路的設計方案,以污水流量的智能化化工污水流量計選型電路的設計方案,以及測試方法和數據分析模型,具有很強的實用價值。及測試方法和數據分析模型,具有很強的實用價值。通過在直徑為1英寸的PVC塑料管中進行試驗,并塑料管中進行試驗,并經過現場流速逐點分布測量,獲取若干組不同狀態經過現場流速逐點分布測量,獲取若干組不同狀態下的平均流速,通過計算機模擬來確定回歸方程系下的平均流速,通過計算機模擬來確定回歸方程系數,進而來測量不同狀態下的流量值。測試結果分數,進而來測量不同狀態下的流量值。測試結果分析表明,其可測流量范圍控制在析表明,其可測流量范圍控制在0~150m³·h-1之內,其非線性誤差為其非線性誤差為0.5%。該款化工污水流量計選型的技術性能。該款化工污水流量計選型的技術性能指標已達到國內外同類產品的先進水平。
全面介紹了一種用于造紙廠排放管道中檢測全面介紹了一種用于造紙廠排放管道中檢測污水流量的智能化化工污水流量計選型電路的設計方案,以污水流量的智能化化工污水流量計選型電路的設計方案,以及測試方法和數據分析模型,具有很強的實用價值。及測試方法和數據分析模型,具有很強的實用價值。通過在直徑為1英寸的PVC塑料管中進行試驗,并塑料管中進行試驗,并經過現場流速逐點分布測量,獲取若干組不同狀態經過現場流速逐點分布測量,獲取若干組不同狀態下的平均流速,通過計算機模擬來確定回歸方程系下的平均流速,通過計算機模擬來確定回歸方程系數,進而來測量不同狀態下的流量值。測試結果分數,進而來測量不同狀態下的流量值。測試結果分析表明,其可測流量范圍控制在析表明,其可測流量范圍控制在0~150m³·h-1之內,其非線性誤差為其非線性誤差為0.5%。該款化工污水流量計選型的技術性能。該款化工污水流量計選型的技術性能指標已達到國內外同類產品的先進水平。


