
壓縮氣體計量表
- 品*:JKM/凱銘儀表
- 型號:JKM-LUGB
- 測量范圍:5-11000m3/h
- 精度等級:1.5級、1.0級
- 公稱通徑:DN20~DN1200
- 適用介質:氣體、液體、蒸汽
- 工作壓力:1.6MPa~10MPa
- 工作溫度:-80℃~450℃
- 供電方式:24VDC 鋰電池
- 訂貨號:LLQHATLFM321
壓縮氣體計量表產品概述
渦街流量計采用卡門渦街原理制造,具有測量精度高、量程寬、功耗低、安裝方便、操作簡單、壓力損失小等優點,可測量工況體積流量或標準體積流量(一體化智能溫度、壓力補償),根據用戶需要,在測量工況體積流量時幾乎不受流體密度、壓力、溫度、粘度等參數的影響,可附帶脈沖或4~20mADC電流輸出功能。無可動機械零件,因此可靠性高,維護量小。采用壓電應力式傳感器,儀表參數能長期穩定。
壓縮氣體計量表的工作原理
渦街流量計是由設計在流場中的旋渦發生體、檢測探頭及相應的電子線路等組成。當流體流經旋渦發生體時,它的兩側就形成了交替變化的兩排旋渦,這種旋渦被稱為卡門渦街。斯特羅哈爾在卡門渦街理論的基礎上又提出了卡門渦街的頻率與流體的流速成正比,并給出了頻率與流速的關系式:
f = St × V/d
式中:f 渦街發生頻率 (Hz)
V旋渦發生體兩側的平均流速(m/s )
St 斯特羅哈爾系數(常數)
這些交替變化的旋渦就形成了一系列交替變化的負壓力,該壓力作用在檢測探頭上,便產生一系列交變電信號,經過前置放大器轉換、整形、放大處理后,輸出與旋渦同步成正比的脈沖頻率信號或標準信號。
在流體管道中,垂直插入一個柱形阻擋物,在其后部(相對于流體流向)兩側就會交替地產生旋渦。隨著流體向下游流動形成旋渦列,我們稱之為卡門渦街。我們把產生旋渦的柱形阻擋物定義為旋渦發生體在一定條件下旋渦的分離頻率與流體的流速成線性關系。因而,只要檢測出旋渦分離的頻率,即可計算出管道內流體的流速或流量。
壓縮氣體計量表產品優勢
1、不受溫度、壓力的影響,同時不易堵,不易卡,不易結垢,耐高溫、高壓。
2、安全防爆,適用于惡劣環境。
3、無可動部件、無空洞縫隙設計,產品無磨損、耐臟污,無需機械維修,使用壽命長。
4、渦街流量計采用微功耗高新技術,電池供電的現場顯示型流量計,可不斷電運行兩年以上。
5、電流輸出均為電隔離型,具有良好的共模干擾抑制能力。
6、同時顯示流量值與累計流量值,不必輪流切換。
7、渦街流量計采用抗振探頭,有效消除外界振動影響。
8、電路采用表面貼裝工藝,結構緊湊,可靠性高。
9、渦街流量計采用分體式信號轉換器,電纜*長10米。
10、量程比寬達20:1。
11、整體結構設計合理,動態測量范圍寬,壓力損失小。
12、蒸汽渦街流量計采用不銹鋼材質,可適用于腐蝕性介質的測量。
13、現場液晶顯示,脈沖、4-20mA輸出或485通訊,可與工業自動化系統連接。
壓縮氣體計量表參數
1、溫度范圍:壓電式 -40℃ ~ 350℃ 電容式 -60℃ ~ 450℃
2、壓力規格:PN1.6Mpa; PN2.5Mpa; PN4.0Mpa ,更高壓力規格可特殊定做
3、范 圍 度:正常范圍1:10 擴展后范圍1:15
4、壓力損失系數:Cd≤2.6
5、系統測量精度:液體、氣體 示值的±1%,蒸汽 示值的±1.5%,插入式流量計 示值的±2.5%
6、供電電壓:傳感器 +12VDC 或+24VDC 變送器 +24VDC 現場顯示型 儀表自帶3.6V鋰電池
7、輸出信號:傳感器 脈沖頻率信號0.1 ~ 3000Hz 低電平≤1V 高電平≥6V 變送器 兩線制4 ~ 20mA.DC電流信號
8、允許振動加速度:壓電式 ≤0.2g 電容式 ≤1.0g
9、環境溫度:傳感器 -30℃ ~ 65℃,變送器、現場顯示 -10℃ ~ 50℃
10、環境濕度:相對濕度5 ~ 85%
11、信號遠傳距離:≤500m
12、信號線接口:內螺紋M20×1.5
13、直管段長度:上游≥10D 下游≥5D
14、防爆等級:( ia )ⅡCT2 - T5本安防爆
15、防護等級:普通型 IP65 潛水型IP68
16、儀表材質:空氣流量計外殼采用鋁合金,表體部分采用不銹鋼304材質,也可根據用戶要求采用特殊
壓縮氣體計量表流量范圍
壓縮氣體計量表安裝尺寸
壓縮氣體計量表的配線設計
一. 輸出頻率信號的三線制渦街流量計配線設計
輸出頻率信號的三線制流量傳感器采用DC24V或DC12V電源供電,一般通過三芯屏蔽電纜線(RWP3×0.5mm)與顯示儀表或計算機相連,屏蔽層應可靠地接到放大器殼的接地螺絲上。屏蔽電纜線的選擇應適合現場環境要求,另外屏蔽電纜線要與其它強功率電力線分離,不能平行走線。傳感器端子接線見圖
二.輸出標準4~20mA電流信號的兩線制渦街流量計配線設計
輸出標準4~20mA電流信號的兩線制變送器采用DC24V電源供電,一般通過兩芯屏蔽電纜線(RWP3×0.5mm)與顯示儀表或計算機相連,屏蔽層應可靠地接到放大器殼的接地螺絲上。屏蔽電纜線的選擇應適合現場環境要求,另外屏蔽電纜線要與其它強功率電力線分離,不能平行走線。變送器端子接線見圖
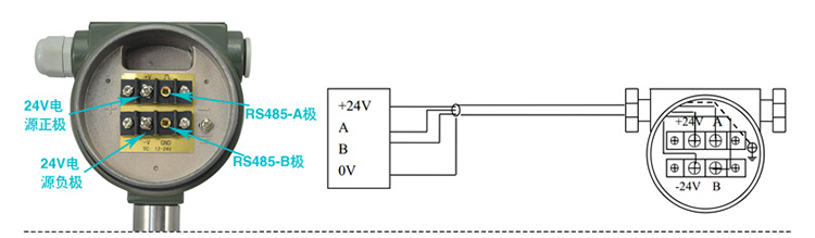
三.帶RS-485通訊接口功能的dn200渦街流量計配線設計
帶RS-485通訊功能的渦街流量計采用DC24V電源供電,與其它設備之間采用四線制傳輸方式。儀表端子接線見圖
壓縮氣體計量表產品型譜
壓縮氣體計量表的安裝
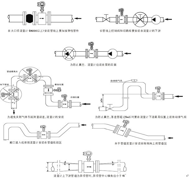
1、傳感器可安裝在室內,也可安裝在室外。環境條件要符合要求。
2、傳感器應安裝在水平、垂直或傾斜(流體的流向自下而上)的與其公稱通徑相應的管道上。
3、傳感器應避免安裝在有機械振動的管道上。當振動不可避免時,應考慮在距傳感器前后約2DN處的直管段上加固定支撐架。
4、傳感器應避免安裝在有較強電磁場干擾、有熱輻射、有腐蝕性氣體、空間小和維修不方便的場所。
5、被測介質含有較多雜質時,應在傳感器上游直管段要求的長度以外加裝過濾器。
6、傳感器的上、下游應配置一定長度的直管段,直管段的內壁應清潔、光滑,無明顯凸凹、積垢和起皮等現象。其長度應符合圖二的要求。安裝液體傳感器的附近管道內,應充滿被測液體。
7、直管段內徑盡可能與傳感器通徑一致,若不能一致,應采用比傳感器通徑略大的管徑,誤差要≤3%并不超過5mm。


